33+ Relay Circuit Diagram


Relay Coordination For Fault On 33 Kv Bus 3 2 1 Standard Inverse Setting Download Scientific Diagram


Relay Circuits Relay Circuit Diagram And Operation Relay Schematic


Ldr Switch Relay Circuit


Optocoupler Relay Driver Circuit Diagram


Ldr Switch Relay Circuit


Master Trip Relay 86 Relay Wiring Diagram And Terminal Details Jrv171 Jrv181 Dronveer 86relay Youtube


Power On Time Delay Relay Circuit Diagram And Instructions


Transistor Relay Driver Circuit With Formula And Calculations Homemade Circuit Projects


Automotive Electrical Troubleshooting


Adding A Fan To Cool The Operator On A Tractor


Relay Driver Circuit Using Uln2003 And Its Applications


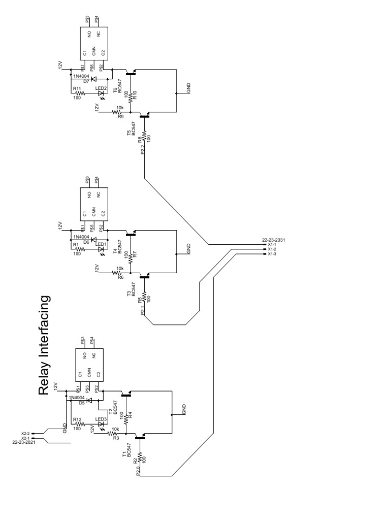
Three Relay Circuit Diagram Pdf


33 Kv Circuit Breaker Relay Panel Control Wiring Interconnection Wiring Schedule Control Wiring 7 Youtube


Simple Relay Switch Circuit Diagram


Solid State Relay Using Moc3021 Optoisolator In 2023 Relay Circuit Projects Electrical Circuit Diagram


Relay Driver Output Schematic Control Circuit Circuit Diagram Seekic Com


Relay Circuits Relay Circuit Diagram And Operation Relay Schematic


Hitachi Zx130 6 All Circuit Pdf Electrical Engineering Electricity

Iklan Atas Artikel

Iklan Tengah Artikel 1

Iklan Tengah Artikel 2

Iklan Bawah Artikel